Favori Sayfalarıma Ekle!

Yerden Isıtma, Isı Pompası, Merkezi Süpürge, Alüminyum Radyatör, Güneş Enerjisi, Fancoil, VRV Sistemleri

 

konerji ısıtma ve serinletme

Underfloorheating Systems for ENGLISH

RUSSIAN

MOLDOVİAN

ROMANIAN

 

"Daha Az Enerji ile , Daha Fazla Konfor , Daha Sağlıklı Yaşam Ürünleri "

     

Anasayfa

Hakkımızda

Referanslarımız

Markalar

İş Ortaklığı

İletişim

 

ARÇELİK - LG ( THERMA GREEN ) HAVA KAYNAKLI ISI POMPASI

 Yerden Isıtma ve Avantajları / Dezavantajları
Yerden Isıtma Nasıl Yapılır ?
 Yerden Isıtma/Duvardan Isıtma Malzemeleri
 PexLIFE  EVOH Bariyerli Yerden / Duvar Isıtma
 PEXLIFE PEX-b Yerden / Duvardan Isıtma
 DANFOSS  PE-RT Isıtma / Serinletme Borusu
 Parke Altı Karbonik Isıtma
 Cami Isıtma Sistemleri
 Ayak Sobası / Halı Soba
 Balkon / Kış Bahçesi Isıtma
 LG /ARÇELİK Hava Kaynaklı Isı Pompası
 Hamam Isıtma Sistemleri
 Isı Pompaları Genel Kullanım
 Fan Coil Cihazları
 Elektrikli Isıtmalar İçin Termostatlar
 Sera / Bitki Kök Isıtma Sistemleri
 Duvardan Isıtma / Serinletme
 Elektrikli Radyatör / Havlu Radyatör
 Ürün ve Hizmet Broşürleri
 Kullanım ve Kurulum Klavuzları
 FUAR Etkinlikleri
 Isı Pompası Ne Kadar Elektrik Tüketir ?
 Sık Sorulan Sorular
 Kullanıcı Yorumları

 

Isı Pompası Nedir ?

 

Düşük sıcaklıktaki bir kaynaktan alınan enerjinin sıkıştırılan gaz vasıtası ile başka bir kaynağa aktarılmasını sağlayan cihazlara ısı pompası denir.

 

Isı Pompası kaynakları nelerdir?

Hava : En fazla bulunan ve uygulaması en kolay olan sistemdir. Ilıman iklimler için uygundur.

Toprak : İlk yatırım değeri yüksektir. Karasal iklimlerde uygulanır.

Su : Türkiye'de su kaynakları kısıtlı olduğundan fazla kullanımı yoktur. Deniz suyu da kaynak olarak kullanılabilir fakat prosedürleri uzundur bu nedenle büyük projelerde uygulanabilir.

 

ısı pompaları bir binanın hem ısıtmasını hemde soğutmasını yapabilen ucuz bir verimli enerji kullanım yöntemidir.

ARÇELİK ısı pompaları maksimum ısı kazancı ve ısı kaybı 16 KW.a kadar olan müstakil evler ve küçük işletmeler için uygundur.

 

ARÇELİK ısı pompaları sadece hava kaynaklı havadan suya olarak imal edilmişlerdir. Bu nedenle ılıman iklimler için uygundur.

 

Havadan suya ısı pompası sistemleri, mevcut doğal gaz, sıvı ve katı yakıtlı konvansiyonel sistemlere göre daha fazla enerji verimliliği sunabilen alternatif enerji kaynaklı sistemlerdir. Daha çok konutlarda iklimlendirme ve sıcak su ihtiyacını karşılamak için kullanılan havadan suya ısı pompaları, hem mevcut hem de yeni inşa edilen sistemlerde; düşük sıcaklık (yerden ve duvardan ısıtma sistemleri), radyatörlü ( 55 / 45 C ) ya da fan coilli uygulamalar için optimum çözüm olanakları sağlamaktadır. Hava Kaynaklı Isı Pompası teknolojisi, mevcut güneş enerjisi kolektörleri ile kombine çalışarak fosil kaynaklı yakıtlara olan bağımlılığı ortadan kaldırmakta ve enerji maliyetlerini azaltmaya yönelik konutsal iklimlendirme ihtiyaçları için ideal bir çözüm sağlamaktadır.

 

fan coil ile ısı pompası hem ısıtma hemde soğutma yapar

 

Isı pompası ve fan coil

 

Müstakil binaların ısıtılması ve soğutulması için fancoil ekonomik bir çözümdür.

 

Fancoil cihazları duvar tipi , döşeme tipi , tavan tipi , kaset tipi yada kanallı tip olarak imal edilirler.

 

Fancoil cihaz kapasite seçimleri ısı kazancı ve ısı kaybına göre yapılır bu nedenle binanın mimari projesi ve ısıtma-serinletme-iklimlendirme projesi yapılmış olmalıdır.


Güneş Enerjisi Destekli Havadan Suya Isı Pompası Sistemi
Isı pompası ile boylerde kullanım amaçlı sıcak su çift serpantinli boyler seçimiyle güneş enerjisinden de yararlanılarak yüksek enerji tasarrufları elde edilmesine olanak sağlar. Yaz şartlarında havadan suya ısı pompası ile soğutulan su, fan coil yardımı ile mahali şartlandırırken güneş kolektörlerinden elde edilen enerjiye, göre sıcak su ihtiyacını karşılar. Isı pompası sadece güneş enerjisinin yetersiz kaldığı ısı miktarını sağlayacak oranda çalışır.

 

LG HAVADAN SUYA ISI POMPASI , LG-ARÇELİK ISI POMPASI , HAVA KAYNAKLI ISI POMPASI

HAVADAN SUYA ISI POMPASI

 

Isı pompası cihazları çevrimlerinde bir miktar elektrik enerjisi kullanırlar . Kaynak şekline , kaynak stabilitesine bağlı olarak harcanan elektrik miktarı değişkendir.

 

ARÇELİK THERMA GREEN HAVA KAYNAKLI ISI POMPASININ ÜSTÜNLÜKLERİ :

* -20 C .ye kadar ısıtma yapabilme özelliği ( -20 C.de cihaz kapasite eğrilerine göre verimler kontrol edilmelidir )

* Haftalık programlama

* Sıcak su sıcaklık derecesini ayarlayabilme

* Ek ısıtıcılar ( istenirse devreye sokulur )

* Boyler sıcaklığını termostata göre kontrol etme . Boylerde sıcaklık düşerse otomatik devreye girer.

* Güneş enerjisini direkt tanıma ve kontrollü çalıştırma ( Ek Kit ile )

* Tek tuşla tatil programına geçme

* Haftada bir gün boyler sıcaklığını 75 C.ye kadar ısıtarak bakterilerin temizlenmesini sağlar ve hijyen sıcak suyu temin eder.

* Isıtma yanında yazın serinletme ( 7 C minumum )

* Manuel yada otomatik kullanım seçeneği

* Kablolu uzaktan kontrol

* Dış hava ve dönüş suyuna göre otomatik inverter

* Modülasyonlu fanla daha az elektrik tüketimi

* Güçlü ve yaygın servis ağı

* Koç Grubu güvencesiyle

* 220 Volt ile çalışabilme

   

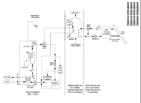
arçelik therma green ısı pompası kurulum şeması

ARÇELİK THERMA GREEN KURULUM ŞEMASI

Güneş Enerjisi sıcak su desteği ile kurulum.

Isı pompaları için en uygun bina içi ısıtma sistemi yerden ısıtmadır.

Isı pompası cihazlarının çıkış suyu sıcaklığı ne kadar düşük ise sağlanan tasarruf o kadar yüksektir.

 

   
 

Enerji Verimliliği ve Karbondioksit Salınımının Azaltılması
100 birimlik enerji ihtiyacını sağlamak için klasik yanmalı sistemlere 112 birim fosil yakıt enerjisi girmesi gerekirken(verim%89), eşdeğer faydalı enerjiyi sağlayacak olan ısı pompası sisteminin sadece 28 birim elektrik enerjisi tüketmesi gerekir(COP 3,5 iken ).

 

Aynı 100 birim enerjiyi sağlayabilmek için, klasik yanmalı sistemde birim kWh enerji oluşturmak için 230g/kWh CO2 salınırken, elektrikli sistemlerde 150 g/kWh CO2 salınır. Böylece mevcut fosil yakıtlı sistemlerin yarattığı CO2 salınımı, havadan suya ısı pompalı sistemler kullanılarak %33 oranında düşürülebileceği anlamına gelmektedir.

 

Arçelik havadan suya ısı pompası sistemi, dış ünitede bulunan inverter kompresör sayesinde, kısmi yüklerde ihtiyaca göre çalışma kapasitesini ayarlayarak enerji tüketimini minimum seviyeye indirir. Gelişmiş ısı değiştirici tasarımı ve optimum çevrim tasarımı ile ısıtmada nominal şartlardaki COP değeri 4,5 oranını sağlamaktadır. (12kW’lık dış üniteli havadan suya kaynaklı sistem için)

 

ARÇELİK VRS Therma GREEN havadan suya ısı pompası sistemi, mevcut yerden ısıtma sistemleri, düşük sıcaklıklı radyatör sistemleri ve fan coil sistemleri ile uyumlu çalışabilen, kompakt ve sessiz iç/dış üniteden oluşmaktadır. İlave bir 3 yollu vana ile çift serpantinli bir boyler kullanılarak güneş enerjisi ile üretilebilen sıcak su sistemi de bu sisteme dahil edilebilir. Böylelikle yenilenebilir bir hibrid sistem kurulumu gerçekleştirilebilir.

 

Projelendirme aşamasında sistemin kurulacağı dış iklim şartları ve ısıtma ve soğutma devrelerinin su sıcaklıklarına göre iç/dış ünite seçim abaklarından incelenen kapasite ve verim değerleri doğrultusunda ısı pompası sisteminin tasarımı yapılır. Isı pompası üzerinde yeralan ısıtma uygulamasına destek amaçlı elektrikli ısıtıcı ile zorlanmış kış iklim şartlarında bile sistem ısıtma konforunu koruyacaktır. Aynı zamanda uzaktan erişime sahip, merkezi yönetim sistemleriyle iletişim protokollerine sahip gelişmiş dokunmatik kumanda sistemi ile enerji tüketiminin takibi ve konfor şartlarının kontrolü yapılabilmektedir.

   

düşük sıcalık beslemesine göre dizayn edilmiş yerden ısıtma ve ısı pompası en ucuz ısıtmayı sağlar.

ISI POMPALARI YERDEN ISITMA İLE EN UCUZ ISITMAYI SAĞLAR.

KONERJİ yıllardır uyguladığı yerden ısıtma ve ısı pompası uygulamaları ile önemli oranda enerji tasarrufu sağlamayı başarmıştır.

Yerden ısıtma sistemlerinde her projeye göre uygun çözümler mühendislerimiz tarafından sizlere önerilir.

Yerden ısıtma ve güneş enerjisi destekli sistemlerimiz son derece başarılı sonuçlar vermiştir.

Bütün ısı pompaları 35 C besleme suyu çıkışında en az elektrik tüketimine sahiptirler.

   

fan coille hem ısıtma hemde serinletme sağlanır.

 

 

ISI POMPALARI İLE DİĞER BİR ÇÖZÜM: FAN COİL

Fan coil kulllanımında cihazların elektrik tüketimleri artacaktır.

Oteller ve işyerleri için uygun çözüm olabilmesine rağmen konutlarda ve dinlenme istenen yerlerde gerekli sağlıklı şartlar oluşmaz.

 

   

THERMA GREEN DIŞ ÜNİTE

 

Hava kaynaklı ısı pompasının dış ortama monte edilen parçasıdır.

Dış ünite olabildiğince iyi hava alabilmelidir.

arçelik therma green ısı pompası dış ünitesi , hava kaynaklı ısı pompası dış ünitesi

   

HAVA KAYNAKLI ISI POMPASI KURULUMU

(Güneş enerjisi sıcak su ve ısıtma desteği ile kurulum şeması )

Hava kaynaklı ısı pompaları ile :

Yerden ısıtma

Duvardan ısıtma

Duvardan serinletme

Düşük sıcaklık dizaynlı radyatör

Fan coil ile ısıtma -serinletme

Havuz ısıtılması

Sıcak su hazırlanması

amaçlı olarak kullanılır.

ısı pompası kurulum diyagramı , ısı pompası ile sıcak su , ısı pompası ile ısıtma , ısı pompası ile serinletme

 

arçelik therma green ısı pompası iç ünitesi , hava kaynaklı ısı pompası iç ünitesi

THERMA GREEN İÇ ÜNİTE

 

Hava kaynaklı ısı pompasının bina içerisine monte edilen parçasıdır.

 

   

LG ısı pompası display , ısı pompası kumandası

THERMA GREEN  ISI POMPASI KABLOLU KUMANDASI

LG ısı pompası cihazlarının kullanımı son derece kolaydır. Cihazın kumanda paneli istenilen başka bir ortama taşınabilmektedir.

Kumanda panosu üzerinde :

Dış ortam sıcaklığı

Otomatik yada manuel çalışma seçeneği

Boyler suyu sıcaklığı

Varsa güneş enerjisi suyu sıcaklığı

Sıcaklık değerini artırma yada azaltma

Gece ve gündüz konumu

Yukarıdaki veriler 2010 yılına ait olup güncel ürün verileri bu değerlerden farklı olabilir.

 

ARÇELİK ısı pompası ılıman bölgelerde ve ısı kaybı 16 KW.ı geçmeyen projelerde uygundur. ARÇELİK ısı pompası cihazları istenirse bir akümülasyon tankı aracılığı ile daha büyük projelerde de kullanılabilir.

 

 

.

"Çeyrek Asırlık Tecrübe Elinizin Altında..."

 Ticaret Sicil No : 86210

Kuruluş Yılı : 1998

Mersis No : 0405004398400018

  Konerji adres ve telefon

Gsm : 0 533 629 59 69

Çalışma Saatlerimiz

Hafta İçi : 08.30 - 17.30

Cumartesi , Pazar ve resmi tatillerde kapalıyız.

 

 

 
 
  Yerden Isıtma   Isı Pompası   Güneş Enerjisi   Türk Hamamı   Fan Coil   Merkezi Süpürge   Radyatör

>Sulu Borulu Yerden Isıtma

>Yerden Isıtma Malzemeleri

>Kablolu Zeminden Isıtma

>Karbonik Yerden Isıtma

>Termostatlar

>Modülasyon Paneli

>Isıtma Serinletme Borusu

>Cami Isıtma Sistemleri

>Kapalı Balkon Isıtılması

>Kış Bahçesi Isıtması

>Yarı Açık Alan Isıtma

>Kenar Yalıtım Bantı

>Kollektör Dolabı

>NIBE  Isı Pompası

>ARÇELİK  Isı Pompası

>Fan Coil

>Hava Kaynaklı Isı Pompası

>LG/ARÇELİK Isı Pompası

>Hava Kaynaklı Isı Pompası

>Su Kaynaklı Isı Pompası

>Isı Pompası/Yerden Isıtma

>Isı Pompası / Havuz Isıtma

>Havuz Isı Pompası

>Pasif Serinletme

>Isı Pompası Nedir ?

>Isı Pompası Elektrik Tüketimi

>Drain Serpantin Kollektör

>Paket Güneş Sıcak Su

>Hibrid Kollektörler

>Güneşten Elektrik

>Güneş Enerjisiyle Isıtma

>Solar Sıvı TERMSOL

>Solar Kontrol Paneli

>Solar Pompa Seti

>Güneşle Havuz Isıtma

 

>Kablolu Hamam Isıtma

>Borulu Hamam Isıtma

>Hamam Termostatları

>Hamam Isıtma Borusu

>Hamam Isıtma Kablosu

>Zaman İçinde Hamamlar

======================

Özel Çözümler

>Soğuk Hava Deposu Koruma

>Ayna Buğu Önleme

>Kök Isıtma

>Duvar Tipi Fan Coil

>Esnek Tip Fan Coil

>Kanallı Tip Fan Coil

>Kaset Tipi Fan Coil

>Döşeme Tipi Fan Coil

>FanCoil / Yerden Isıtma

>Daire Tipi Merkezi Süpürge

>Villa Tipi Merkezi Süpürge

>Otel Tipi Merkezi Süpürge

>Apartman Tipi M.Süpürge

>Süpürge Aksesuarları

>Orjinal Süpürge Borusu

>Şeffaf Vakum Borusu

 

>Alüminyum Radyatör

>Havlu Radyatör

>Elektrikli Radyatör

>Aynalı Radyatör

>Resimli Radyatör

>Elektrikli Banyopan

>Termik Sıvı TERMSOL

>H Ventilli Radyatör

>Çocuk Odası Radyatörü

>Dik Radyatör

>Desenli Radyatör

>Ahşap Des.Radyatör

========================================================================================================

nibe ısı pompaları

merkezi süpürge sistemleri ve elektrikli havlupan imalatı

devi kablolu elektrikli yerden ısıtma

========================================================================================================

danfoss yerden ısıtma , danfoss ısı pompası

freankishce yerden ısıtma

rhoss merkezi soğutma sistemleri

modpan yerden ısıtma stroforu , modpan modülasyon paneli , modpan köpük , modpan u klips

hi sense klima ve vrf sistemleri

 

Kurumsal Projelerimizden Bazıları

hamam ısıtma sistemi dubai alaçatı elektrikli zemin ısıtma hamam ısıtma hamamların ısıtılması

sauna , buhar odası ve kar çeşmesi izmir

Türk hamamı ısıtması kuşadası
           
Türk hamamı ısıtılması , fethiye Türk hamamı ısıtması , kuşadası kapalı teraslar ısıtılması , zeminden ısıtma çeşme hamam ısıtma sistemi , turgutlu

elektrikli zeminden ısıtma , izmir

hamam ısıtma sistemi ,kuşadası
           
alaçatı , elektrikli zemin ısıtma hamam ısıtması , otel elektrikli zeminden ısıtması hamam ısıtması , sauna imalatı hamamların ısıtılması , sauna imalatı , kuşadası

tür hamamları ısıtma , özdere

konutların elektrikli zemin ısıtması , bodrum
           
hamam ısıtması , kuşadası elektrikli zemin ısıtma sistemleri hamam ısıtma sistemleri , kuşadası spa ısıtması , bodrum turgutreis

elektrikli hamam ısıtması , 2 adet sauna imalatı , 1 adet buhar odası imalatı

hamam ısıtması , tesisin 480 KW lık ısı pompası kurulumu
 

 

 

 

 

 

© 2006-2022 Telif Hakları Yasası gereği yazardan YAZILI cevap alınmadan hiçbir yazı ve fotoğraf "alıntı" adı altında kullanılamaz.